产品展示

PRODUCT DISPLAY

当前位置: 首页>>产品展示>>新能源充电枪功能测试系统

QL-9000 新能源交流充电枪测试系统

上架时间:2026-01-27
浏览次数:392
产品详情

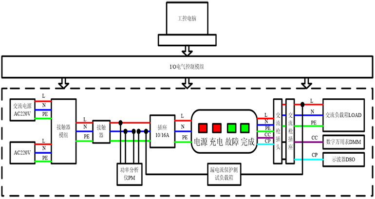
QL-9000系列新能源交流充电枪测试系统,是专为新能源电动汽车、混合动力汽车配套的重要测试设备,本系统提供各种不同的硬件选择,系统专为便携式交流充电枪电源设备设计,是一种安全、信赖度高、高精确的测试系统 。

基本参数

 测试项目

测试方案

(充电模式2连接方式B的控制导引电路原理图)

测试方案2.jpg

(充电模式2测试系统流程原理图) 

上一篇:没有了

下一篇:没有了

相关标签:

相关服务 /service

地区产品/CITY